MBFAQ.RU MBFAQ.RU

ВНИМАНИЕ! FAQ в процессе наполнения. Старая версия находится по ссылке

Схема системы впрыска 102.910 и др.

Это все срисовано из книги, у себя на 102.962 (10.89г.в.) проверил — все совпадает...

Функциональная схема системы впрыска топлива двигателя 102.910 с нейтрализатором отработавших газов


Изображение
1 регулятор состава смеси (дозатор топлива и расходомер воздуха в сборе)
20 предварительный катализатор(на автомобилях для Великобритании) или резонатор (для Австралии)
40 диафрагменный регулятор давления топлива в системе
55 топливный фильтр
57 накопитель топлива
75 топливный бак
76 клапан для сообщения с атмосферой
77 адсорбер (угольная канистра в простонародии)
78 спускной клапан
79 термоклапан 70 град.
92 форсунка
158 нейтрализатор отработавших газов
B2 датчик положения напорного диска расходомера воздуха (потенциометр)
B6 бесконтактный датчик скорости движения (находится в приборной панели на спидометре, рядом с приводом спид.)
B11/2 4-х контактный датчик температуры охлаждающей жидкости для систем зажиагния EZL и впрыска KE
B17/2 датчик температуры всасываемого воздуха системы зажигания EZL
G3/2 датчик концентрации кислорода (лямбда-зонд)
K3/1 реле обогрева впускного трубопровода *
K29 реле повышения момента переключения передач автоматической КПП *
L5 датчик угловых импульсов
M3 топливный насос
N1/2 блок управления системой зажигания EZL
N3 блок управления системы впрыска KE
N16/3 реле включения топливного насоса
R8/2 блок обогрева впускного трубопровода *
R16 корректор системы зажигания EZL
R16/1 однопозиционный корректор системы зажигания EZL(для Австралии)
R17 корректор системы впрыска KE
R17/1 однопозиционный корректор системы впрыска KE(для Австралии)
S25/13 термоэлектрический выключатель 60-55 град. (частичный обогрев впускного трубопровода) *
S27/2 микровыключатель ПХХ
S29/2 концевой выключатель дроссельной заслонки (распознавание полной нагрузки и холостого хода)
W3 точка соединения с «массой» левого переднего крыла(для катушки зажигания)
W6 точка соединения с «массой» багажного отделения на брызговике левого заднего крыла(около заднего фонаря)
T1 катушка зажигания
Y1 электрогидравлический регулятор управляющего давления (противодавления) ЭГРД
Y5/1 электромагнитная муфта компрессора кондиционера
Y6 регулятор холостого хода
Y8 пусковая форсунка
C вентиляция

примечание * — только для автомобилей с нейтрализатором отработавших газов и левым рулевым управлением

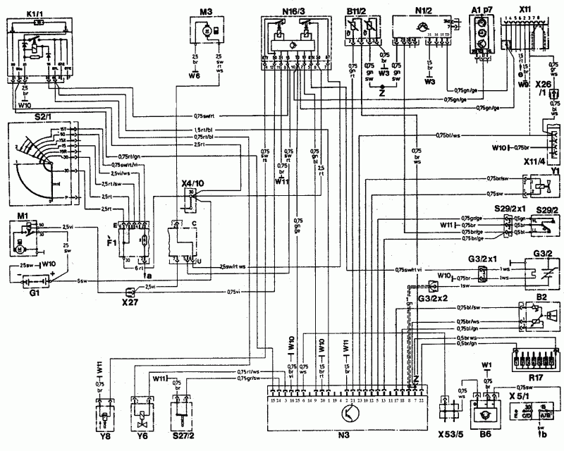
Принципиальная схема системы впрыска топлива двигателя 102.910 с нейтрализатором отработавших газов

Изображение
A1p7 Электронные часы/тахометр
B2 датчик положения напорного диска расходомера воздуха (потенциометр)
B6 бесконтактный датчик скорости движения (находится в приборной панели на спидометре, рядом с приводом спид.)
B11/2 4-х контактный датчик температуры охлаждающей жидкости для систем зажиагния EZL и впрыска KE
B17/2 датчик температуры всасываемого воздуха системы зажигания EZL
F1 монтажный блок
G1 аккумуляторная батарея
G3/2 датчик концентрации кислорода (лямбда-зонд)
G3/2x1 разъем нагревательной спирали датчика концентрации кислорода
G3/2x2 вывод датчика концентрации кислорода
K1/1 реле защиты от перенапряжений
M1 стартер
M3 топливный насос
N1/2 блок управления системой зажигания EZL
N3 блок управления системы впрыска KE
N6 блок управления включением компрессора кондиционера
R17 корректор системы впрыска
S2/1 выключатель зажигания
S27/2 микровыключатель ПХХ
S29/2 концевой выключатель дроссельной заслонки (распознавание полной нагрузки и холостого хода)
S29/2x1 разъем концевого выключателя дроссельной заслонки 
W1 основная точка соединения с «массой» (сзади комбинации приборов)
W3 точка соединения с «массой» левого переднего крыла(для катушки зажигания)
W6 точка соединения с «массой» багажного отделения на брызговике левого заднего крыла(около заднего фонаря)
W9 левая передняя точка соединения с «массой» (около блок-фары)
W10 масса АКБ
W11 масса двигателя(посредством провода с ввертным наконечником)
X4/10 колодка для соединения вывода «30» с выводом «61» (аккумуляторная батарея)
X5/1 разъем пучка проводов салона
X11 колодка диагностики
X11/4 8-ми контактная колодка контроля импульсов *
X26/1 разъем для соединения пучков проводов двигателя и фар *
X27 разъем пучка проводов стартера
X53/5 многоштеккерный разъем (для бесконтактного датчика)
Y1 электрогидравлический регулятор управляющего давления (противодавления) ЭГРД
Y6 регулятор холостого хода
Y8 пусковая форсунка
Z колодка для впайки в пучок проводов
a,c к гнезду «5» реле обогрева впускного трубопровода *
B к гнезду «1» разъема монтажного блока 
E к гнезду «11» разъема монтажного блока

Примечание: «Масса» штекера «7» блока управления системы впрыска КЕ соединена перемычкой со штеккером «2» «массы» двигателя

12:55
611
Нет комментариев. Ваш будет первым!